Enolsoft DXF Viewer User Guide
This user guide will walk you through the installation, main features, and step-by-step instructions on how to get started with Enolsoft DXF Viewer.
Part 1 Download & Install
For Mac Version
1. You can download the installation package of Enolsoft DXF Viewer for Mac from the below link.
2. Install Enolsoft DXF Viewer with the downloaded package.
Double-click the .dmg file.

Drag the Enolsoft DXF Viewer icon to Applications folder.

For Windows Version
1. You can download the installation package of Enolsoft DXF Viewer for Windows from the below link.
2. Install Enolsoft DXF Viewer with the downloaded package.
Double-click the .exe file to run it.

Select a directory to install the program

Click Next > Next > Install to continue the installation process, when the below window appears, it means that the program has been installed successfully.

Part 2 Activation (Optional)
After installing the program, you need to activate the program if you want to use the full version features.
1. Go to Lauchpad or Applications folder, double click Enolsoft DXF Viewer to run the program, and then click the key icon at the top right corner.

2. Copy-n-paste the license code into the popped-up window, click Activate.

Part 3 Application Operating
Whether you are an architect, engineer, designer, or just need to open CAD drawings, Enolsoft DXF viewer provides a simple and efficient way to inspect your files without requiring expensive CAD software.
Part 3.1 Open DXF & DWG files

You can open your files via the 4 methods below:
1. Directly drag and drop your files into the program;
2. Click
, load your files from Finder/Explorer;
3. Click File > Open, load your files from Finder/Explorer;
4. Click File > Open Recent, choose a recently opened file and open it.
Part 3.2 View DXF & DWG files
After opening the file, you are able to view it with so many tools, like full screen, zoom, pan and layers.

1. Layers: Tap
, it can display all the layers in a list with their names and colors. You can hide the layer by cancelling the corresponding checkbox.
2. Full Screen: Tap
, you are able to full screen view the drawing.
3. Zoom: You can directly scroll your mouse to zoom in/out the full drawing.
4. Area Zoom: Tap
, box select an area that you want to zoom in on for more details.
5. Pan: Click and hold the drawing with your mouse, or use the arrow keys to move it around.
Part 3.3 Measure DXF & DWG Files
The viewer also allows you to measure angles, distances, and object areas within the drawing.

Angle : Use this option to calculate the angle formed by two lines or three points.
1. Select
from the measurement panel.
2. Click the first point (start of the first line).
3. Click the vertex point (where the two lines meet).
4. Click the third point (end of the second line).
5. The angle value will appear on the screen.
Area: Use this option to measure the area of a closed shape.
1. Select
from the measurement panel.
2. Click sequentially along the boundary of the shape.
3. Continue placing points until you return to the starting point to close the shape.
4. The calculated area will be displayed.
Distance: Use this option to measure the straight-line distance between two points.
1. Select
from the measurement panel.
2. Click on the starting point in the drawing.
3. Move your cursor and click on the ending point.
4. The distance value will be displayed immediately on the screen.
If you want to remove all the measurments, just click 
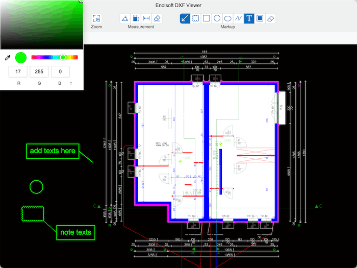
Part 3.4 Markup DXF & DWG Files
The Markup function lets you add notes and annotations directly on your DXF/DWG drawings. This feature is useful for reviewing designs, sharing feedback with colleagues, or keeping personal reference notes without altering the original file.

1. Shapes
: You can use it to highlight specific areas or point to important details.
Just Select a shape tool, then click and drag on the drawing to create it. You can also add texts into the box that appears after the shape is created. To add texes for the shape, click and drag on the drawing to create the shape, after that a text box will appear automatically, you need to enter your texts first and then click to confirm the location where to put the text box.

2. Text
: You can add comments or explanations in texts anywhere in the drawing.
Just click
, then click on the drawing where you want the note to appear, type your text in the pop-up box.
3. Change color
: You can click
to change the color of shapes and text boxes.
If you want to remove all the markups, just click 
Part 3.5 Export DXF & DWG file to PDF
Enolsoft DXF Viewer allows you to save your files to PDF and perserves the layers and zoom level, so that you can share, print and archive your files easier.

You can click File > Save As PDF or press shortcut keys Shift + CMD+S (Mac)/Shift+Ctrl+S (Windows), it will pop up a window to ask you to select a location to save the exporeted PDF.
Part 3.6 Print DXF & DWG file
The Print function lets you create hard copies of your DXF/DWG drawings directly from Enolsoft DXF Viewer. You can customize page setup, scale, and layout before printing to ensure the output matches your needs.

You can click File > Print or press shortcut keys CMD+P (Mac)/Ctrl+P (Windows), it will bring you to the print window, you can customize the print settings according to your needs.

Part 4 Update Application
We always suggest users use the latest version of the program.
When you launch Enolsoft DXF Viewer, Enolsoft will auto check for updates.
Also, you can click Enolsoft DXF Viewer > Check for Updates… on the left top menu bar to manually update it.

Bryan is the Chief Writer at Enolsoft for 15 years. He doesn’t just document software, he is more like a power user that bridges the gap between complex file management systems and the real people who use them, showing users the easiest way to turn digital chaos into streamlined efficiency.